注意:访问本站需要Cookie和JavaScript支持!请设置您的浏览器! 打开购物车 查看留言付款方式联系我们
初中电子 单片机教材一 单片机教材二
搜索上次看见的商品或文章:
商品名、介绍 文章名、内容
首页 电子入门 学单片机 免费资源 下载中心 商品列表 象棋在线 在线绘图 加盟五一 加入收藏 设为首页
本站推荐:
发布第一版TA8435超限电流(2.5A)控制板
文章长度[4927] 加入时间[2007/3/18] 更新时间[2026/4/7 8:59:35] 级别[0] [评论] [收藏]

作者:ss570122 原载:磁动力电子论坛


  我DIY的雕刻机

图1

  雕刻机驱动采用我假期设计自制的三轴TA8435H,8细分驱动板,驱动电流突破极限可达到2.5A

图2

  热转印法制作的TA8435H PCB双面板

图3

  手工磨制的雕刻刀

图4

  使用的刀路制作软件

图5

  我的第一个作品伟人浮雕

图6

  好了,言归正传,我深知业余玩家的DIY艰辛,应众多网友要求,也为了实现我的诺言,今天将整理后的可加工制版的TA8435H三轴驱动板原理图和PCB图发布出来与网友共享,共同制作出更好的作品。

  初学网友在制作时可能遇到的一些问题,我会在说明中注释,不能给大家逐一解答,敬请谅解。另外有哪位网友加工成品板,千万别忘了给我带一块啊 ,我会付银子的啊!

  另外我做的串口通讯大电流(4A)控制版试验板也已经调试成功,由于在硬件设计制作需要较多的相关专业知识和软件配合上较为麻烦,不太适合业余网友DIY制作。

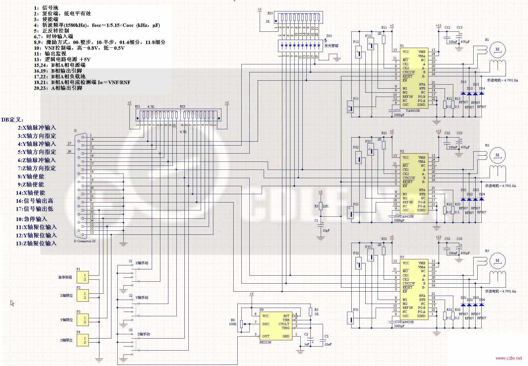
TA8435三轴驱动板原理图
点击看大图
图7 原理图(点击看大图)

TA8435三轴驱动板PCB图
图8 PCB

简要说明:

  1、TA8435H是东芝公司生产的单片正弦细分二相步进电机驱动专用芯片,TA8435H可以驱动二相步进电机,且电路简单,工作可靠。该芯片还具有以下特点:

  工作电压范围宽(10V~40V);输出电流可达1.5A(平均),和2.5A(峰值)(改造后可达2.5A,风扇强制冷却);具有整步、半步、1/4细分、1/8细分运行方式可供选择;采用脉宽调制式斩波驱动方式;具有正/反转控制功能;带有复位和使能引脚可选择使用单时钟输入或双时钟输入。

  和L297+L298比较:线路元件少,调试简单,真正细分,最大1/8细分,低速运行震动噪音小。


  2、附后下载的的原理图和PCB图是在DXP 2004 SP2下设计的,可能在其它版本上使用需要网友自己作相应的转换。

  3、PCB板图TA8435的17、18、19、23管脚是走大电流的,由于排列走线较细,所以网友自己在焊接好元件后要单独在板子背面用硬线将细线段加粗,否则电机会欠电流工作。

  4、R12、R13是电机电流检测电阻,其阻值决定最大工作电流,如果你电机电流不超过1.5A,则可选用0.5欧。芯片加普通散热片即可。 如果你想突破1.5A电流极限,则电阻选用如下:

    当TA8435H的10脚接高电平时

    电机电流2A R12/R13 电阻值选0.4欧(TA8435H加风扇强制冷却)

    电机电流2.5A R12/R13 电阻值选0.32欧(TA8435H加风扇强制冷却)

  5、使用Mach2软件或其它不使用使能控制的软件时 ,将TA8435使能脚(3脚)接低电平,使之总有效。

  6、跳线设置在原理图上有详细标注,网友自己查看。

  我发布的TA8435H第一版三轴控制板也可以实现半流控制了,不用改动原板子的任何元件和电路,只是在调整电机电流的P11、P21、P31跳线接一块补充板即可,我的补充板全是采用贴片元件,所以体积不大,只有20×12mm,插三块即可实现半流控制。

  如果原电路取样电阻是0.5欧,则有脉冲时全流工作1.8A,无脉冲时半流工作1.0A(严格说不是半流),这样步进电机长时间工作也不会太热。

  下面是补充板单轴插板的原理图

图9

下面是补充板单轴插板的PCB图

图10

  这是补充板插在原板子的三个位置

图11

图12

1、 本站不保证以上观点正确,就算是本站原创作品,本站也不保证内容正确。
2、如果您拥有本文版权,并且不想在本站转载,请书面通知本站立即删除并且向您公开道歉! 以上可能是本站收集或者转载的文章,本站可能没有文章中的元件或产品,如果您需要类似的商品请 点这里查看商品列表!
本站协议 | 版权信息 |  关于我们 |  本站地图 |  营业执照 |  发票说明 |  付款方式 |  联系方式
深圳市宝安区西乡五壹电子商行——粤ICP备16073394号-1;地址:深圳西乡河西四坊183号;邮编:518102
E-mail:51dz$163.com($改为@);Tel:(0755)27947428
工作时间:9:30-12:00和13:30-17:30和18:30-20:30,无人接听时可以再打手机13537585389