| 注意:访问本站需要Cookie和JavaScript支持!请设置您的浏览器! • 打开购物车 • 查看留言 • 付款方式 • 联系我们 |
![]() |
| 首页 | 电子入门 | 学单片机 | 免费资源 | 下载中心 | 商品列表 | 象棋在线 | 在线绘图 | 加盟五一 | 加入收藏 | 设为首页 |
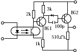
| 选择分类:当前分类——电子入门 相关联或者相类似的文章: 掌握焊接技术(789) 三极管各引脚电流电压的关系(789) 串,并联谐振电路的特性(789) 请评论反馈电路的作用(789) 扬声器谐振频率的测试法(788) 小信号双线变送器XTR101的原(787) 设计:从电子催眠器的设计思路想起(784) 如何保养遥控器?●(775) 高清晰度数字化电视不等于数字电视(767) 实用电子电路入门(766) 电容详细讲解(765) 关于人体导电表演装置及人体导电的(760) 电路基本概念(760) ++ 电阻的特殊用途&(756) 红外微光摄影小知识(755) 快速识别色环电阻 (755) 光电耦合器组成的脉冲电路(755) 绿色照明光源小议(752) 什么叫作GPRS?(752) 使用电容器的注意事项 (750) 首页 前页 后页 尾页 本站推荐: | 光电耦合器组成的脉冲电路
1、 本站不保证以上观点正确,就算是本站原创作品,本站也不保证内容正确。 2、如果您拥有本文版权,并且不想在本站转载,请书面通知本站立即删除并且向您公开道歉! | ||||||||||||||||||||||||||||||||||||||||||||||||||
|
本站协议 |
版权信息 |
关于我们 |
本站地图 |
营业执照 |
发票说明 |
付款方式 |
联系方式
深圳市宝安区西乡五壹电子商行——粤ICP备16073394号-1;地址:深圳西乡河西四坊183号;邮编:518102 E-mail:51dz$163.com($改为@);Tel:(0755)27947428 工作时间:9:30-12:00和13:30-17:30和18:30-20:30,无人接听时可以再打手机13537585389 |